Achtung, neue Kennzeichnungspflichten für Laptops ab dem 28.04.2026
Händler, die Laptops anbieten, müssen für ab dem 28.04.2026 neu in Verkehr gebrachte Geräte neue Kennzeichnungspflichten in Bezug auf die Beinhaltung eines Ladegeräts (Piktogramm) und die Ladeeigenschaften (Etikett) erfüllen. Wir informieren Sie!
Inhaltsverzeichnis
- Worum geht es?
- Neue gesetzliche Kennzeichnungsvorgaben für Laptops ab dem 28.04.2026
- 1. Neue Piktogramme
- 2. Neues Etikett
- Was muss ich als betroffener Händler also tun?
- 1. Sortiment entscheidend
- 2. Nur ab dem 28.04.2026 neu in den Verkehr gebrachte Laptops erfasst
- 3. Wie kennzeichne ich richtig?
- Was passiert, wenn ich trotz Verpflichtung nicht kennzeichne?
- Fazit
Worum geht es?
Wer kennt es nicht: Oft besteht zuhause oder im Büro ein ganzes Sammelsurium an Netzteilen, etwa von älteren, längst nicht mehr genutzten Laptops, die oftmals durchaus noch für eine weitere Verwendung mit einem neuen Laptop taugen würden, sofern vom Ladestandard her passend.
Umgekehrt werden bislang in vielen Fällen neue Laptops standardmäßig jeweils mit einem im Lieferumfang enthaltenen Netzteil angeboten, obwohl dieses gar nicht zwingend benötigt wird (eben weil noch ein altes, taugliches Netzteil beim Interessenten vorhanden wäre).
Dieses Vorgehen verursacht nicht nur zusätzliche Kosten für ein (eigentlich überflüssiges) Zubehörteil, sondern belastet auch die Umwelt unnötigerweise zusätzlich.
Denn: Der Kunde kann bislang häufig gar nicht entscheiden, ob er ein Netzteil mitgeliefert haben möchte oder nicht. Ist noch ein taugliches Netzteil beim Kunden vorhanden, bezahlt er nicht nur unnötigerweise ein neues Netzteil mit, kauft er sich ein neues Laptop. Auch ließe sich der für das neue Netzteil anfallende Ressourcenaufwand einsparen.
Dem möchte die EU den Garaus machen.
Neue gesetzliche Kennzeichnungsvorgaben für Laptops ab dem 28.04.2026
Bereits seit Dezember 2024 gelten zur Vermeidung solchen „Netzteilmülls“ für zahlreiche Produktgruppen (wie etwa Smartphones) neue Kennzeichnungspflichten.
Als letzte Produktgruppe sind mit Wirkung vom 28.04.2026 nun Laptops an der Reihe.
Für diese gelten ab diesem Stichtag neue Kennzeichnungspflichten, die insbesondere auch von Online-Händlern erfüllt werden müssen, um rechtskonform zu handeln und Abmahnungen zu vermeiden.
1. Neue Piktogramme
Zunächst müssen Online-Händler ein neues Piktogramm darstellen, welches sich unterscheidet, je nachdem, ob sich ein Netzteil im Lieferumfang des angebotenen Laptops befindet oder nicht.
Dadurch sollen Käufer auf einen Blick feststellen können, ob sie ein Netzteil mitgeliefert bekommen oder nicht.
1. Fall: Netzteil im Lieferumfang enthalten
In diesem Fall muss auf der Produktdetailseite, von der aus das Laptop in den virtuellen Warenkorb gelegt werden kann, in der Nähe der Preisangabe ein Piktogramm dargestellt werden, welches ein (nicht durchgestrichenes) Netzteil zeigt.
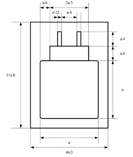
Das Piktogramm muss sich dabei nach den folgenden Gestaltungsvorgaben richten, die in Anhang Ia Teil III der Richtlinie 2014/53/EU in der konsolidierten Fassung vom 28.12.2024 aufgestellt werden:

Wichtig ist, dass die mit „a“ gekennzeichnete Abmessung mindestens 7 Millimeter betragen muss. Solange diese Voraussetzung gewahrt bleibt, und das Piktogramm erkennbar und verständlich bleibt, sind verschiedene Varianten des Piktogramms (z. B. in Bezug auf Farbe, ausgefüllte Darstellung oder Umriss, Linienstärke) zulässig, sofern die Größenverhältnisses gewahrt bleiben.
2. Fall: Kein Netzteil im Lieferumfang enthalten
Liefert der Verkäufer kein Netzteil zum Laptop mit, muss dieser stattdessen ein Piktogramm mit einem „durchgestrichenen“ Netzteil darstellen. Dieses muss sich an dieser Vorgabe orientieren:

Die sonstigen Vorgaben zur Platzierung und Darstellung des Piktogramms verhalten sich wie in 1. Fall.
2. Neues Etikett
Neben der Darstellung des zutreffenden Piktogramms ist auch ein neues Etikett darzustellen, welches über die notwendigen Ladeeigenschaften eines für das angebotene Laptop geeigneten Netzteils informieren soll.
Dadurch sollen Käufer beurteilen können, ob ein in ihrem Bestand befindliches Netzteil kompatibel zu dem zu erwerben geplanten Laptop ist oder nicht.
Das neue Etikett ist auf der Produktdetailseite, von der aus das Laptop in den virtuellen Warenkorb gelegt werden kann, in der Nähe der Preisangabe darzustellen und muss sich nach den folgenden Gestaltungsvorgaben richten, die in Anhang Ia Teil IV der Richtlinie 2014/53/EU in der konsolidierten Fassung vom 28.12.2024 aufgestellt werden:

Das Etikett muss zudem an die jeweiligen „Ladevoraussetzungen“ angepasst werden.
Anstelle der Buchstaben „XX“ ist der Zahlenwert der zum Aufladen des Laptops benötigten Mindestleistung anzugeben, die ein Ladenetzteil zum Aufladen des Laptops liefern muss.
Statt der Buchstaben „YY“ ist der Zahlenwert der vom Laptop zum Erreichen der maximalen Ladegeschwindigkeit benötigten Höchstleistung anzugeben, die ein Ladenetzteil mindestens liefern muss, damit diese maximale Ladegeschwindigkeit erreicht wird.
Der Zusatz „USB PD“ (Abkürzung für „USB Power Delivery“) ist (nur) dann anzugeben, wenn das Laptop dieses Schnellladeprotokoll unterstützt. Das Protokoll „USB PD“ regelt die schnellste Stromzufuhr vom Ladenetzteil zum Laptop ohne Verkürzung der Batterielebensdauer.
Das Etikett ist immer darzustellen, also unabhängig, ob ein Netzteil im Lieferumfang enthalten ist oder nicht. Die Darstellung des Etiketts erfolgt also zusätzlich zum jeweils einschlägigen Piktogramm.
Dabei darf das Etikett auch nicht mit dem Piktogramm für die Beinhaltung eines Netzteils „vermischt“ werden.
Solange das Etikett erkennbar und verständlich bleibt, sind verschiedene Varianten des Etiketts (z. B. in Bezug auf Farbe, ausgefüllte Darstellung oder Umriss, Linienstärke) zulässig, sofern die Größenverhältnisses gewahrt bleiben. Wenn das Etikett kleiner oder größer dargestellt wird, müssen die Größenverhältnisse der obigen Darstellung gewahrt bleiben. Die Abmessung „a“ in obiger Darstellung beträgt auch bei Varianten mindestens 7 mm.
Was muss ich als betroffener Händler also tun?
Schon wieder eine neue Kennzeichnungspflicht, werden nun viele Online-Händler (zu Recht) schimpfen.
Wenngleich die überbordende EU-Bürokratie scharf zu kritisieren ist und angesichts ganz anderer, struktureller Probleme der Wirtschaft in der EU in die völlig falsche Richtung geht, müssen betroffene Händler in den sauren Apfel beißen und den neuen gesetzlichen Pflichten nachkommen, wollen diese sich rechtlich nicht angreifbar machen (Abmahnungen etc.).
Was ist nun also ab dem 28.04.2026 zu tun?
1. Sortiment entscheidend
Von den neuen Kennzeichnungspflichten sind nur Online-Händler betroffen, die (auch) Laptops verkaufen.
Egal ist dabei, ob der Verkauf der Laptops (auch) an Verbraucher (also B2C) erfolgt oder rein B2B, also nur an Unternehmer. Die neuen Kennzeichnungspflichten gelten sowohl im B2C-, als auch im B2B-Bereich.
Ebenso kommt es nicht darauf an, wo der Verkauf online erfolgt. Betroffen sind neben Laptop-Angeboten in eigenen Onlineshops auch Angebote auf Verkaufsplattformen (wie etwa Amazon oder eBay).
Der Begriff „Laptops“ ist dabei eher weit zu verstehen. Nach den Erwägungsgründen des EU-Gesetzgebers fallen unter „Laptops“ alle tragbaren Computer, einschließlich Notebooks, Ultrabooks, Hybridgeräte, Convertibles und Netbooks.
Im Zweifelsfalls sollte der Händler den Hersteller danach befragen, ob das Gerät entsprechend kennzeichnungspflichtig ist.
2. Nur ab dem 28.04.2026 neu in den Verkehr gebrachte Laptops erfasst
Sofern Sie als Händler „Laptops“ anbieten, sind sie also grundsätzlich vom persönlichen Anwendungsbereich der neuen Kennzeichnungsvorgaben erfasst.
Die neuen Kennzeichnungsvorgaben ab dem 28.04.2026 gelten nur für solche Laptops, die ab dem 28.04.2026 neu in den Verkehr gebracht wurden.
Gebrauchtgeräte, die bereits vor dem 28.04.2026 in den Verkehr gebracht worden sind, müssen nicht entsprechend gekennzeichnet werden, soweit diese unverändert weiterverkauft werden.
Ebenso unterliegen auch neue Laptops, die bereits vor dem 28.04.2026 in den Verkehr gebracht worden sind („Lagerware“), nicht den neuen Kennzeichnungspflichten.
Entscheidend ist damit, ob der angebotene Laptop bereits vor dem 28.04.2026 in den Verkehr gebracht wurde (dann keine neue Kennzeichnungspflicht) oder erst ab dem 28.04.2026 (dann neue Kennzeichnungspflicht).
Verkäufer von Gebraucht-Laptops sind daher, wurde das Laptop bereits vor dem 28.04.2026 in den Verkehr gebracht, grundsätzlich (zunächst) nicht von den neuen Kennzeichnungspflichten erfasst (über kurz oder lang werden jedoch auch diese „kennzeichnen“ müssen, da auch nach dem 28.04.2026 in den Verkehr gebrachte Laptops früher oder später als Gebrauchtgeräte auf den Markt gelangen werden).
3. Wie kennzeichne ich richtig?
Wenn Sie in Ihrem Sortiment Laptops führen, die ab dem 28.04.2026 in den Verkehr gebracht wurden, dann müssen Sie dafür sorgen, dass auf der Angebotsseite für das jeweilige Laptop
• das zutreffende Piktogramm für „Netzteil enthalten“ oder „Netzteil nicht enthalten“ (siehe oben) in der Nähe des Preises dargestellt wird, und
• zudem das mit den zutreffenden Angaben ausgefüllte Etikett (siehe oben) in der Nähe des Preises angezeigt wird.
Für das korrekte Piktogramm und Etikett können Sie sich an der Produktverpackung des Herstellers orientieren bzw. die entsprechenden Informationen bzw. Grafiken beim Hersteller anfordern. Den Hersteller treffen dieselben Kennzeichnungspflichtn, welche dieser in aller Regel durch einen Aufdruck bzw. Aufkleber auf der Produktverpackung erfüllen wird.
Es gilt auch, „Formalitäten“ zu beachten.
Zunächst ist wichtig, dass Piktogramm und Etikett jeweils direkt offen darzustellen sind. Eine bloße Verlinkung reicht gerade nicht aus.
Ferner muss das Piktogramm sowie das Etikett jeweils auf der Artikeldetailseite in der Nähe der Preisangabe abgebildet werden.
Das Piktogramm bzw. Etikett sind zwar nicht zwingend grafisch „statisch“.
Es gilt bei einer Anpassung jedoch die oben genannten Voraussetzungen zu beachten (Erkennbarkeit, Verständlichkeit, Größenverhältnisses sowie Mindestlänge der Abmessung „a“ von 7 Millimeter müssen gewahrt bleiben).
Was passiert, wenn ich trotz Verpflichtung nicht kennzeichne?
Wer als Online-Händler entsprechend kennzeichnungspflichtige Laptops ohne die nötige, neue Kennzeichnung anbietet, begeht einen Wettbewerbsverstoß.
Insbesondere Wettbewerbsverbände sind bekannt dafür, solche Kennzeichnungsverstöße zu überwachen und abzumahnen. Aber auch Abmahnungen durch Mitbewerber, die selbst den Kennzeichnungsaufwand betreiben und sich über nicht kennzeichnungswillige Konkurrenz ärgern, sind zu befürchten.
Das Problem: Nicht nur die Kosten und der Ärger einer Abmahnung sind dann die Folge. Wer als Abgemahnter dann keine (noch teurere) gerichtliche Entscheidung wünscht, dem bleibt nur die Abgabe einer strafbewehrten Unterlassungserklärung.
Eine solche kostet aber nicht nur, wie auf den ersten Blick meist vermutet, eine Unterschrift. Vielmehr muss der Unterzeichner ab seiner Unterschrift darauf achten, in Zukunft keinerlei Fehler mehr in Bezug auf die Kennzeichnungsvorgaben zu machen. Andernfalls könnte der Abmahner für jeden Wiederholungsfall eine Vertragsstrafe vom Abgemahnten fordern. Solche Vertragsstrafen sind im Regelfall je Verstoß vierstellig.
Ein „Aussitzen“ der neuen Kennzeichnungsvorgaben stellt daher keinen gangbaren Weg dar.
Fazit
Online-Händler müssen ab dem 28.04.2026 für ab diesem Zeitpunkt neu in den Verkehr gebrachte Laptops neue Kennzeichnungspflichten beachten.
Rechtlicher Hintergrund ist der Erlass der EU-Richtlinie 2022/2380 zur Änderung der Funkanlagen-Richtlinie bereits im Jahre 2022.
Bereits seit dem 28.12.2024 gelten daher für viele andere "Funkanlagen" (etwa für Smartphones, Kopfhörer, Tastaturen, Mäuse) entsprechende Kennzeichnungspflichten.
Mit "Laptops" wird nun mit einigem Aufschub die letzte Produktgruppe zum 28.04.2026 kennzeichnungspflichtig.
Details zum Rechtsrahmen und den rechtlichen Hintergründen haben wir in diesem Beitrag für Sie bereitgestellt.
In der jeweiligen Artikelbeschreibung muss ab dem 28.04.2026, je nachdem ob ein Netzteil im Lieferumfang vorhanden ist, das zutreffende „Netzteil-Piktogramm“ in der Nähe des Preises dargestellt werden.
Ferner muss ein „Netzeil-Etikett“ in Preisnähe abgebildet werden, aus welchem sich die Anforderungen in Sachen Ladeeigenschaften ergeben.
Verlinkungen sind nicht zulässig. Die Pflicht gilt gleichermaßen B2C und B2B und nicht nur im eigenen Onlineshop, sondern auch auf Verkaufsplattformen.
Wer den neuen Kennzeichnungspflichten nicht nachkommt, riskiert teure und nervige Abmahnungen.
Sie legen Wert auf einen rechtssicheren Online-Auftritt und möchten lästige Abmahnungen sowie Ärger mit Kunden effektiv vermeiden?
Gerne sorgen wir für Ihre Rechtssicherheit und Ihren abmahnfreien Internet-Auftritt. Informieren Sie sich dazu gerne über unsere Schutzpakete.
Fragen zum Beitrag? Diskutieren Sie hierzu gerne mit uns in der Unternehmergruppe der IT-Recht Kanzlei auf Facebook.
Link kopieren
Als PDF exportieren
Per E-Mail verschicken
Zum Facebook-Account der Kanzlei
Zum Instagram-Account der Kanzlei

1 Kommentar
Es hätte doch gereicht, wenn man ein Symbol (das mit den Energiekennzeichen) nutzt und dann optisch so unterscheidbar macht, dass klar ist ob es enthalten ist oder nicht. Man, man, man...
wundert sich...